Printables for Lego trains - Bearings for 2mm axles

Menu

Bearings for 2mm axles!

Bearings for 2mm axles in Lego technic pin holes applied Bearings for 2mm axles in Lego technic pin holes applied.

I've designed a set of bearings to hold 2mm axles inside of Lego technic pin holes. These allow using 2mm axles on standard lego design which relied on using cross-axles before. With the benefit of not imposing damage to the bricks, they improve the rolling resistance a couple folds. While being not as good as ball bearings, they can be a good compromise for test vehicles or people not wanting to damage bricks by any means.
I use them for prototypes, retrofitting original Lego design and axle without a lot of weigth on them.

The print itself is a very simple part.

Transmission for Lego trains Bearings for 2mm axles in Lego technic pin holes.

To apply them, just add them from the outside. The flange will fit into the technic hole perfectly. The 2mm axle will have plenty of space to move as well.

How to print

Printbed with one bearing Printbed with one bearing seen in bambu studio.

Print them with the flange on the printing bed.
I use a 0.2mm nozzle, but I could imagine this part being simple enough to work with a 0.4mm nozzle as well.
I recommend using a paper towel to remove the print from the printing bed to avoid grease on the bed.

Dimensions and download link

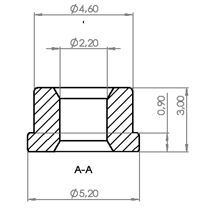
Drawing for the bearing Drawing for the bearing.

I suspect my printer to be a bit on the overextruding side of things. Thus I show you the size of the file here. The inner fit should range around d=2,3 to d=2,1 on your prints. The outer fit should range around D= 4,5 to D=4,7 on your prints.
Luckily this part does not have any demanding dimensions and should just work out of the box.
Download the .step file here.

Contact and Copyright:
webmaster@flemmbrav.de

latest change: happened